Alamat:
No.233-3 Jalan Yangchenghu, Taman Perindustrian Xixiashu, Daerah Xinbei, Bandar Changzhou, Wilayah Jiangsu
• Pemotong pengilangan universal sesuai untuk rawatan haba semua siri bahan keluli. Ia mempunyai reka bentuk struktur U-groove dan sesuai untuk kedua-dua pengasaran dan kemasan.
• Ia juga sesuai untuk pemprosesan bahan bukan keluli dan aluminium. Ia mempunyai rangkaian spesifikasi dan model yang lengkap serta pelbagai kegunaan.
| Tidak. | Diameter D | Sudut R R | Panjang Seruling Lc | Panjang Keseluruhan L | Shank Dia d | Kiraan Bilah F |
| NNC-2R-D1-R0.2 | 1 | 0.2 | 3 | 50 | 4 | 2 |
| NNC-2R-D1-R0.2 | 1 | 0.2 | 3 | 50 | 6 | 2 |
| NNC-2R-D1.5-R0.2 | 1.5 | 0.2 | 4 | 50 | 4 | 2 |
| NNC-2R-D1.5-R0.2 | 1.5 | 0.2 | 4 | 50 | 6 | 2 |
| NNC-2R-D2-R0.2 | 2 | 0.2 | 6 | 50 | 4 | 2 |
| NNC-2R-D2-R0.2 | 2 | 0.2 | 6 | 50 | 6 | 2 |
| NNC-2R-D2-R0.5 | 2 | 0.5 | 6 | 50 | 4 | 2 |
| NNC-2R-D2-R0.5 | 2 | 0.5 | 6 | 50 | 6 | 2 |
| NNC-2R-D3-R0.2 | 3 | 0.2 | 8 | 50 | 3 | 2 |
| NNC-2R-D3-R0.2 | 3 | 0.2 | 8 | 50 | 4 | 2 |
| NNC-2R-D3-R0.2 | 3 | 0.2 | 8 | 50 | 6 | 2 |
| NNC-2R-D3-R0.5 | 3 | 0.5 | 8 | 50 | 3 | 2 |
| NNC-2R-D3-R0.5 | 3 | 0.5 | 8 | 50 | 4 | 2 |
| NNC-2R-D3-R0.5 | 3 | 0.5 | 8 | 50 | 6 | 2 |
| NNC-2R-D4-R0.2 | 4 | 0.2 | 10 | 50 | 4 | 2 |
| NNC-2R-D4-R0.2 | 4 | 0.2 | 10 | 50 | 6 | 2 |
| NNC-2R-D4-R0.5 | 4 | 0.5 | 10 | 50 | 4 | 2 |
| NNC-2R-D4-R0.5 | 4 | 0.5 | 10 | 50 | 6 | 2 |
| NNC-2R-D4-R1 | 4 | 1 | 10 | 50 | 4 | 2 |
| NNC-2R-D4-R1 | 4 | 1 | 10 | 50 | 6 | 2 |
| NNC-2R-D5-R0.5 | 5 | 0.5 | 13 | 50 | 5 | 2 |
| NNC-2R-D5-R0.5 | 5 | 0.5 | 13 | 50 | 6 | 2 |
| NNC-2R-D5-R1 | 5 | 1 | 13 | 50 | 5 | 2 |
| NNC-2R-D5-R1 | 5 | 1 | 13 | 50 | 6 | 2 |
| NNC-2R-D6-R0.2 | 6 | 0.2 | 16 | 50 | 6 | 2 |
| NNC-2R-D6-R0.5 | 6 | 0.5 | 16 | 50 | 6 | 2 |
| NNC-2R-D6-R1 | 6 | 1 | 16 | 50 | 6 | 2 |
| NNC-2R-D8-R0.2 | 8 | 0.2 | 20 | 60 | 8 | 2 |
| NNC-2R-D8-R0.3 | 8 | 0.3 | 20 | 60 | 8 | 2 |
| NNC-2R-D8-R0.5 | 8 | 0.5 | 20 | 60 | 8 | 2 |
| NNC-2R-D8-R1 | 8 | 1 | 20 | 60 | 8 | 2 |
| NNC-2R-D10-R0.2 | 10 | 0.2 | 25 | 75 | 10 | 2 |
| NNC-2R-D10-R0.3 | 10 | 0.3 | 25 | 75 | 10 | 2 |
| NNC-2R-D10-R0.5 | 10 | 0.5 | 25 | 75 | 10 | 2 |
| NNC-2R-D10-R1 | 10 | 1 | 25 | 75 | 10 | 2 |
| NNC-2R-D10-R1.5 | 10 | 1.5 | 25 | 75 | 10 | 2 |
| NNC-2R-D10-R2 | 10 | 2 | 25 | 75 | 10 | 2 |
| NNC-2R-D12-R0.5 | 12 | 0.5 | 30 | 75 | 12 | 2 |
| NNC-2R-D12-R1 | 12 | 1 | 30 | 75 | 12 | 2 |
| NNC-2R-D12-R2 | 12 | 2 | 30 | 75 | 12 | 2 |
| NNC-2R-D12-R3 | 12 | 3 | 30 | 75 | 12 | 2 |
| NNC-2R-D16-R1 | 16 | 1 | 45 | 100 | 16 | 2 |
| NNC-2R-D16-R2 | 16 | 2 | 45 | 100 | 16 | 2 |
| NNC-2R-D16-R3 | 16 | 3 | 45 | 100 | 16 | 2 |
| NNC-2R-D20-R1 | 20 | 1 | 50 | 100 | 20 | 2 |
| NNC-2R-D20-R2 | 20 | 2 | 50 | 100 | 20 | 2 |
| NNC-2R-D20-R3 | 20 | 3 | 50 | 100 | 20 | 2 |
| Bahan Diproses | Besi tuang Besi Tuang Nodular | Keluli Karbon, Keluli Aloi ~750N/mm² | Keluli Karbon, Keluli Aloi ~30HRC | Keluli Pra-Keras, Keluli Dipadamkan dan Dibaja ~40HRC | Keluli Tahan Karat | Keluli Pra-Keras, Keluli Dipadamkan dan Dibaja ~50HRC | ||||||
| Diameter (mm) | Kelajuan Putaran (min -1 ) | Kelajuan Suapan (mm/min) | Kelajuan Putaran (min -1 ) | Kelajuan Suapan (mm/min) | Kelajuan Putaran (min -1 ) | Kelajuan Suapan (mm/min) | Kelajuan Putaran (min -1 ) | Kelajuan Suapan (mm/min) | Kelajuan Putaran (min -1 ) | Kelajuan Suapan (mm/min) | Kelajuan Putaran (min -1 ) | Kelajuan Suapan (mm/min) |
| 1 | 20000 | 200 | 20000 | 200 | 20000 | 160 | 20000 | 160 | 20000 | 60 | 20000 | 120 |
| 2 | 15000 | 320 | 15000 | 320 | 15000 | 290 | 15000 | 280 | 11150 | 84 | 13000 | 180 |
| 3 | 14000 | 545 | 14000 | 545 | 13000 | 510 | 10600 | 420 | 7500 | 120 | 8500 | 330 |
| 4 | 10800 | 560 | 10800 | 560 | 10000 | 520 | 8000 | 430 | 5500 | 130 | 6500 | 335 |
| 5 | 8200 | 580 | 8200 | 580 | 7600 | 540 | 6400 | 450 | 4500 | 130 | 5000 | 355 |
| 6 | 7000 | 600 | 7000 | 600 | 6400 | 550 | 5300 | 460 | 3700 | 140 | 4200 | 360 |
| 8 | 5200 | 600 | 5200 | 600 | 4800 | 550 | 4000 | 460 | 2800 | 140 | 3200 | 365 |
| 10 | 4200 | 580 | 4200 | 580 | 3800 | 540 | 3200 | 445 | 2200 | 140 | 2500 | 350 |
| 12 | 3500 | 580 | 3500 | 580 | 3200 | 540 | 2650 | 445 | 1850 | 140 | 2100 | 350 |
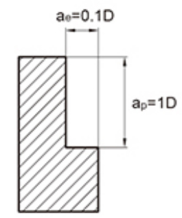
| Kedalaman Pemotongan Maksimum | | | ||||||||||
| Diameter Alat | Kedalaman Memotong ap | | |||||||||
∅1| 0.15D | | |||||||||||
∅3| 0.3D | | |||||||||||
1. Jadual di atas menunjukkan nilai piawai untuk pemesinan pengilangan sisi. Apabila memotong alur dengan alat, kelajuan hendaklah 50%~70% daripada jadual di atas, dan kadar suapan hendaklah 40%~60% sebagai nilai standard.
2. Sila gunakan alat mesin berketepatan tinggi dan pemegang alat.
3. Sila gunakan penyejuk udara atau cecair pemotong yang kurang berkemungkinan menghasilkan asap.
4. Adalah disyorkan untuk menggunakan pengilangan berurutan untuk pengilangan sisi.
Apabila ketegaran alat mesin dan pemasangan bahan kerja lemah, getaran dan bunyi tidak normal mungkin berlaku. Dalam kes ini, kelajuan dan kadar suapan dalam jadual di atas harus dikurangkan tahun ke tahun.
6. Minimumkan panjang alat tidak terjual semaksimum mungkin tanpa gangguan.
| Siri Alat | Diameter | Jejari | Jejari Sudut | Panjang Seruling | Panjang Berkesan | Panjang Keseluruhan | Shank Dia | |||
| D | R | CR | Lc | L1 | L | d | ||||
| Pemotong Pengilangan Karbida Universal NNC | D0.1~D0.9 | 0 -0.005 | R0.05~R2 | /-0.005 | CR0.05~CR0.5 | /-0.005 | 0 0.2 | 0 0.3 | 0 0.5 | h5 |
| D1.0~D4.0 | 0 -0.008 | 0 0.3 | 0 0.5 | |||||||
| D1.0~D3.5 | 0 -0.008 | R0.5~R1.75 | /-0.005 | CR0.1~CR0.5 | /-0.005 | 0 0.3 | 0 0.5 | 0 0.5 | h6 | |
| D4.0~D11.0 | 0 -0.012 | R2.0~R5.0 | /-0.008 | CR1.0~CR3.0 | /-0.008 | 0 0.5 | ||||
| D12.0~D20.0 | 0 -0.015 | R6.0~R10.0 | /-0.01 | |||||||
Kilang hujung hidung bulat 2 seruling NNC-2R menawarkan pelbagai kombinasi diameter dan jejari untuk memenuhi keperluan pemesinan yang berbeza. Contohnya, sub-model seperti NNC-2R-D1-R0.2 dan NNC-2R-D1.5-R0.5 sesuai untuk pemotongan tepat dalam ruang sempit atau pada bahan kerja yang lebih kecil, manakala saiz yang lebih besar seperti NNC-2R-D4-R2 dan NNC-2R-D6-R3 sesuai untuk aplikasi volum tinggi atau rongga dalam. Pelbagai spesifikasi membolehkan pengguna mengimbangi panjang alat, diameter pemotongan dan jejari hidung alat untuk mencapai hasil terbaik untuk keadaan bahan kerja yang berbeza.
Siri ini menggunakan geometri hidung bulat untuk mengurangkan kepekatan tekanan secara berkesan pada hujung alat dan mengoptimumkan laluan pemotongan, dengan itu meningkatkan kecekapan pemesinan. Reka bentuk dua tepi meningkatkan pemindahan cip dalam pengilangan sisi sambil mengekalkan kemasan permukaan yang sangat baik dan kestabilan apabila pemesinan pada lengkung dan kontur kompleks. Kelebihan pemotongan melengkung membantu meminimumkan perbualan dan memastikan kualiti permukaan yang sangat baik walaupun dalam keadaan suapan tinggi dan kelajuan tinggi.
Kilang hujung hidung bulat 2 seruling NNC-2R menampilkan matriks butiran halus yang lasak dan tidak bercapuk (0.6μm) yang dikisar CNC ketepatan untuk memberikan kualiti yang konsisten dan rintangan haus yang tinggi. Teknologi salutan lanjutan mengurangkan pekali geseran dan mengurangkan pembentukan haba, memanjangkan hayat alat.
Kilang akhir ini sesuai untuk operasi separuh kemasan dan kemasan pada bahan biasa seperti keluli, keluli tahan karat, aloi aluminium dan aloi kuprum, di samping dapat mengendalikan bahan yang lebih keras seperti keluli dikeraskan dan keluli mati.
Penubuhan Perusahaan
Pekerja

Changzhou Maton Tools Co.,Ltd. terletak di wilayah Delta Sungai Yangtze yang maju dari segi ekonomi. Kilang ini terletak di Zon Pembangunan Teknologi Tinggi Xixiashu, sebuah bandar alat yang terkenal di China. Kami 2 Serunai Round Nose End Mills Pengilang.
Magotantools menjadikan sistem kualiti ISO9001 sebagai standard, di bawah panduan falsafah perniagaan "kecacatan sifar dalam produk" dan "jarak sifar dalam perkhidmatan", berdasarkan semangat "integriti", "perpaduan" dan "eksploitasi", dan mengikuti gaya syarikat yang adil dan saksama untuk pengurusan. Pengeluaran produk menggunakan pusat pengisaran dan pemesinan CNC lima paksi dan enam paksi dari Jerman, Switzerland, Jepun, dll., dan dilengkapi dengan peralatan ujian ketepatan tinggi seperti Jerman, Jepun, dan China, untuk memenuhi keperluan pengeluaran dengan kualiti dan kuantiti yang tinggi.
Syarikat ini terus membangunkan pelbagai alat CNC berprestasi tinggi, dan telah memenangi pelbagai anugerah kebangsaan. Profesional 2 Serunai Round Nose End Mills Syarikat. Lebih daripada 10 paten, produk syarikat ini digunakan terutamanya dalam industri pertahanan, industri aeroangkasa, industri automotif, produk elektronik dan acuan serta bidang lain.
Pelbagai produk syarikat ini diiktiraf dan digemari oleh syarikat domestik yang terkenal.Dengan teknologi tanpa had, penciptaan tanpa had, dan usaha mencapai kecemerlangan, Magotan tools akan menulis kemakmuran dan impian masa depan dengan keyakinan yang lebih luar biasa dan kualiti yang berkualiti tinggi.
Kami akan membalas anda dalam tempoh 12 jam selepas menerima pertanyaan pada hari bekerja.
Kami adalah pengilang, kami menghasilkan dan menjual diri kami.
Kami terutamanya menghasilkan pemotong penggilingan keluli tungsten, mata gerudi dan alat aloi keras lain. Profesional 2 Serunai Round Nose End Mills Pengilang.
Produk kami meliputi hampir keseluruhan industri acuan, industri pertahanan, industri aeroangkasa, industri automotif, produk elektronik dan bidang lain.
Ya, tumpuan utama kami adalah pada produk tersuai. Kami membangunkan dan menghasilkan produk berdasarkan lukisan atau sampel yang disediakan oleh pelanggan. Tersuai 2 Serunai Round Nose End Mills.
Kami mempunyai lebih 30 unit WALTER dari Jerman, Makino dari Jepun, ROLLMATIC dari Switzerland dan TTB dari Switzerland, dengan nilai output tahunan sebanyak 80 juta RMB. Kami 2 Serunai Round Nose End Mills Syarikat
Pertama, selepas setiap proses, kami menjalankan pemeriksaan yang sepadan. Untuk produk akhir, kami akan menjalankan pemeriksaan penuh 100% mengikut keperluan pelanggan dan piawaian antarabangsa;
Kemudian, kami mempunyai peralatan ujian terbaik dan lengkap dalam industri, seperti penganalisis spektrum, mikroskop metalografi, dsb., yang dapat memastikan kestabilan dan konsistensi alat pemotong, sambil memenuhi keperluan ujian ketepatan tinggi pelanggan untuk alat pemotong.
Semasa membuat sebut harga, kami akan mengesahkan dengan anda kaedah transaksi, FOB, CIF, CNF atau pilihan lain. Apabila menghasilkan secara pukal, kami biasanya membuat bayaran pendahuluan 30% terlebih dahulu, dan kemudian membayar baki yang tinggal setelah bil muatan dibentangkan. Kami kebanyakannya menggunakan T/T sebagai kaedah pembayaran, tetapi L/C juga boleh diterima.